2121·Ç·²¹Ù·½ÍøÕ¾

JSOM-N8PC

2121·Ç·²¡¤(ÖйúÓÎ)ÌåÓý¹Ù·½ÍøÕ¾¾©¶«É̳Ç
2121·Ç·²¡¤(ÖйúÓÎ)ÌåÓý¹Ù·½ÍøÕ¾400-930-1339
2121·Ç·²¡¤(ÖйúÓÎ)ÌåÓý¹Ù·½ÍøÕ¾ÖÐÎÄ2121·Ç·²¡¤(ÖйúÓÎ)ÌåÓý¹Ù·½ÍøÕ¾
ÖÐÎÄ Ó¢ÎÄ
2121·Ç·²¡¤(ÖйúÓÎ)ÌåÓý¹Ù·½ÍøÕ¾
Òò2121·Ç·²¹Ù·½ÍøÕ¾ ¸üÖÇÄÜ

2121·Ç·²¹Ù·½ÍøÕ¾ÖÇÄÜΪÄúÌṩÁ¿Éí¶¨ÖÆµÄ½â¾ö¼Æ»®£¬ £¬£¬£¬£¬£¬£¬Öª×ã´Ó²úÆ·½ç˵µ½ÈíÓ²¼þ¿ª·¢µÄÖÖÖÖÐèÇó£¬ £¬£¬£¬£¬£¬£¬»á°²ÅÅ×ÊÉî²úÆ·¹¤³ÌʦΪÄú·þÎñ¡£ ¡£¡£¡£ ¡£¡£¡£¡£

2121·Ç·²¡¤(ÖйúÓÎ)ÌåÓý¹Ù·½ÍøÕ¾
ÔÚÏßÁôÑÔ

רҵÕÕÁϽ«ÔÚ1¸öÊÂÇéÈÕÄÚÖµ練ÏìÇëÄÍÐÄÆÚ´ý

JSOM-N8PC

JSOM-N8PC

JSOM-N8PC

SMARC½¹µãÄ£¿£¿£¿£¿£¿ £¿£¿é

»ùÓÚ¹¤¹æ¼¶ NXP i.MX 8M Plus SoCÉè¼Æ£¬ £¬£¬£¬£¬£¬£¬Ö§³Ö¿íΠ-40~85¡æ Ó¦ÓÃÇéÐΣ¬ £¬£¬£¬£¬£¬£¬ÊÊÅä Android/Linux µÈ¶àÖÖ²Ù×÷ϵͳ£¬ £¬£¬£¬£¬£¬£¬ÎªÄúÌṩÎȹ̿ɿ¿µÄÇáÁ¿»¯±ßÑØAI½â¾ö¼Æ»®¡£ ¡£¡£¡£ ¡£¡£¡£¡£

?
ARMƽ̨ SMARC 2.1.1±ê×¼½¹µãÄ£¿£¿£¿£¿£¿ £¿£¿é£»£»£»£»£»£»£» »ùÓÚ¹¤¹æ¼¶ NXP i.MX 8M Plus SoCÉè¼Æ£»£»£»£»£»£»£» 4x Cortex-A53 + 1x Cortex-M7 + 2.3 TOPS NPU£»£»£»£»£»£»£» °åÔØ 2/4/6GB LPDDR4 + 16/32/64GB eMMC 5.1£»£»£»£»£»£»£» ÏÔʾ£º1x LVDS+1x MIPI-DSI »ò 1x ˫ͨµÀLVDS£¬ £¬£¬£¬£¬£¬£¬1x HDMI£»£»£»£»£»£»£» I/O£º2x GbE¡¢1x PCIe¡¢5x USB¡¢4x UART¡¢2x CAN£»£»£»£»£»£»£» DC 5V£¬ £¬£¬£¬£¬£¬£¬Ö§³Ö 3.6~5.25V ï®µç³Ø¹©µç£»£»£»£»£»£»£» Ö§³Ö¿íΠ-40~85¡æ Ó¦ÓÃÇéÐÎ
¹æ¸ñ²ÎÊý

CPU

NXP i.MX 8M Plus

4x Arm Cortex-A53, ×î´óÖ÷Ƶ 1.8GHz (³£ÎÂ) / 1.6GHz (¿íÎÂ)

1x Arm Cortex-M7 ÊµÊ±ÐÔЭ´¦Öóͷ£Æ÷, ×î´óÖ÷Ƶ 800MHz

NPU

2.3 TOPS Neural Network performance

GPU

Vivante GC7000UL, supports OpenVG 1.1, Open GL ES 3.1, Vulkan, and Open CL 1.2 FP

Ó²¼þ±à½âÂë

Ö§³Ö H.265/H.264/VP9/VP8 ÊÓÆµ½âÂë×î¸ß1080p60Ö§³Ö H.265/H.264 ÊÓÆµ±àÂë×î¸ß1080p60

ÄÚ´æ

°åÔØ 2GB/4GB/6GB LPDDR4

´æ´¢

°åÔØ 16GB/32GB/64GB eMMC 5.1 for OS

ÒÔÌ«Íø

2x 10/100/1000 Mbps

ÏÔʾ

1x HDMI 2.0a, Ö§³Ö 4K30 Êä³ö

1x 4-lane MIPI-DSI

1x µ¥Í¨µÀ LVDS

Ö§³ÖË«ÆÁÒìÏÔ»òÈýÆÁͬÏÔ

1x HDMI 2.0a, Ö§³Ö 4K30 Êä³ö

1x Ë«Í¨µÀ LVDS

Ö§³ÖË«ÆÁÒìÏÔ»òͬÏÔ

ÉãÏñÍ·

1x 4-lane MIPI-CSI, 1x 2-lane MIPI-CSI

񙮵

2x I2S ÓÃÓÚÒôƵÊäÈëÊä³ö

PCIe

1x PCIe 3.0 1-lane

SATA

-

USB

2x USB 3.0 Host, 2x USB 2.0 Host, 1x USB 2.0 OTG/Host

´®¿Ú

2x 4-wire UART, 2x 2-wire UART for debug

ÆäËû I/O

1x SDIO (4 bit, for SD cards), 2x CAN FD, 2x SPI, 5x I2C, 14x GPIO

À©Õ¹¹¦Ð§

Ö§³Ö×ÔÁ¦¿´ÃŹ·×¼Ê±¿ª¹Ø»ú

µçÔ´

DC 5V, Ö§³Ö 3.6~5.25V ï®µç³Ø¹©µç

¹æ·¶/³ß´ç

SMARC 2.1.1 314-pin MXM ½ðÊÖÖ¸, 82mm x 50mm

²Ù×÷ϵͳ

Yocto 3.5 Linux, Ubuntu 22.04, Android 11

Æô¶¯·½·¨

eMMC or SD, Ä¬ÈÏ eMMC

ÊÂÇéζÈ/ʪ¶È

-20~70¡æ/-40~85¡æ ¿ÉÑ¡10%~90% RH ÎÞÀäÄý

Öü´æÎ¶È/ʪ¶È

-40~85¡æ, 5%~90% RH ÎÞÀäÄý

²úÆ·¿òͼ
image.png

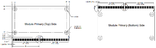
²úÆ·³ß´ç

image.png

²úÆ·Ñ¡ÐÍ

²úÆ·ÐͺÅ

SoC

ÄÚ´æ

Flash

ÏÔʾ

GbE

PCIe

USB

UART

CAN

ÊÂÇéζÈ

JSOM-N8PC-A8ML3

i.MX 8M Plus

Quad 1.6 GHz

4GB

32GB

HDMI+Dual LVDS

2

1

5

4

2

-20~70¡æ

JSOM-N8PC-A8MM3

i.MX 8M Plus

Quad 1.6 GHz

4GB

32GB

HDMI+MIPI+LVDS

2

1

5

4

2

-20~70¡æ


2121·Ç·²¡¤(ÖйúÓÎ)ÌåÓý¹Ù·½ÍøÕ¾ 2121·Ç·²¡¤(ÖйúÓÎ)ÌåÓý¹Ù·½ÍøÕ¾
Òò2121·Ç·²¹Ù·½ÍøÕ¾¸üÖÇÄÜ

2121·Ç·²¹Ù·½ÍøÕ¾ÖÇÄÜΪÄúÌṩÁ¿Éí¶¨ÖÆµÄ½â¾ö¼Æ»®£¬ £¬£¬£¬£¬£¬£¬Öª×ã´Ó²úÆ·½ç˵µ½ÈíÓ²¼þ¿ª·¢µÄÖÖÖÖÐèÇó£¬ £¬£¬£¬£¬£¬£¬»á°²ÅÅ×ÊÉî²úÆ·¹¤³ÌʦΪÄú·þÎñ¡£ ¡£¡£¡£ ¡£¡£¡£¡£

¶¨ÖÆ×Éѯ
2121·Ç·²¡¤(ÖйúÓÎ)ÌåÓý¹Ù·½ÍøÕ¾ 2121·Ç·²¡¤(ÖйúÓÎ)ÌåÓý¹Ù·½ÍøÕ¾
ÓëÖµµÃÐÅÈεĺÏ×÷»ï°éºÏ×÷
ºÏ×÷ģʽ 2121·Ç·²¡¤(ÖйúÓÎ)ÌåÓý¹Ù·½ÍøÕ¾
°ïÄú¾«×¼¿ìËÙµÄÅÌË㱨¼Û¼Æ»®
»ñÈ¡±¨¼Û 2121·Ç·²¡¤(ÖйúÓÎ)ÌåÓý¹Ù·½ÍøÕ¾
²úÆ·ÐÅÏ¢¡¢ÀàÐÍ¡¢Êý¾ÝµÈÈ«·½Ãæ×ÊÁÏ
2121·Ç·²¡¤(ÖйúÓÎ)ÌåÓý¹Ù·½ÍøÕ¾
2121·Ç·²¡¤(ÖйúÓÎ)ÌåÓý¹Ù·½ÍøÕ¾
2121·Ç·²¡¤(ÖйúÓÎ)ÌåÓý¹Ù·½ÍøÕ¾

ɨÂë¹Ø×¢

ÍøÕ¾µØÍ¼