

JSOM-R88C
»ùÓÚÈðо΢¹¤¹æ¼¶ RK3588J SoCÉè¼Æ£¬£¬£¬£¬£¬Ö§³Ö¿íΠ-40~85¡æ Ó¦ÓÃÇéÐΣ¬£¬£¬£¬£¬ÊÊÅä Android/Linux µÈ¶àÖÖ²Ù×÷ϵͳ£¬£¬£¬£¬£¬ÎªÄúÌṩÐÐÒµÁìÏȵĸßÐÔÄܱßÑØAI½â¾ö¼Æ»®¡£¡£¡£¡£¡£¡£
- ?
- ARMƽ̨ SMARC 2.1.1±ê×¼½¹µãÄ£¿£¿£¿£¿£¿£¿£¿é
- ?
- »ùÓÚÈðо΢¹¤¹æ¼¶ RK3588J SoCÉè¼Æ
- ?
- 4x Cortex-A76 + 4x Cortex-A55 + 6 TOPS NPU
- ?
- °åÔØ 4/8GB LPDDR4X + 32/64/128GB eMMC 5.1
- ?
- ¶àýÌ壺1x HDMI¡¢1x DP¡¢1x eDP¡¢1x MIPI-DSI¡¢2x MIPI-CSI
- ?
- I/O£º1x GbE¡¢3x PCIe¡¢1x SATA¡¢4x USB¡¢4x UART¡¢2x CAN
- ?
- DC 5V£¬£¬£¬£¬£¬Ö§³Ö 3.6~5.25V ï®µç³Ø¹©µç
- ?
- Ö§³Ö¿íΠ-40~85¡æ Ó¦ÓÃÇéÐÎ
CPU | Rockchip RK3588J/RK3588 °ËºË64λ´¦Öóͷ£Æ÷ Quad core Arm Cortex-A76, ×î´óÖ÷Ƶ 2.2-2.4GHz (³£ÎÂ) / 1.6-2.0GHz (¿íÎÂ) Quad core Arm Cortex-A55, ×î´óÖ÷Ƶ 1.8GHz (³£ÎÂ) / 1.3-1.7GHz (¿íÎÂ) |
NPU | 6 TOPS Neural Network performance |
GPU | Arm Mali-G610 MP4, Ö§³Ö OpenGL ES 1.1/2.0/3.2, OpenCL 2.2, Vulkan 1.2 |
Ó²¼þ±à½âÂë | Ö§³Ö H.265/H.264/VP9/AV1/AVS2 ÊÓÆµ½âÂë, ×î¸ß8K60; Ö§³Ö H.265/H.264 ÊÓÆµ±àÂë, ×î¸ß8K30 |
ÄÚ´æ | °åÔØ 4GB/8GB/16GB LPDDR4X |
´æ´¢ | °åÔØ 32GB/64GB/128GB eMMC 5.1 for OS |
ÒÔÌ«Íø | 1x 10/100/1000 Mbps |
ÏÔʾ | 1x HDMI 2.1, Ö§³Ö 4K60 Êä³ö 1x DP 1.4, Ö§³Ö 4K60 Êä³ö 1x 4-lane eDP 1.3 1x 4-lane MIPI-DSI Ö§³ÖÈýÆÁÒìÏÔ»òËÄÆÁͬÏÔ, ¶àÖÖÏÔʾ×éºÏ |
ÉãÏñÍ· | 1x 4-lane MIPI-CSI, 1x 2-lane MIPI-CSI Ö§³Ö 48MP ISP with HDR&3DNR |
ÒôƵ | 2x I2S ÓÃÓÚÒôƵÊäÈëÊä³ö |
PCIe | 1x PCIe 3.0 2-lane, 1x PCIe 3.0 1-lane, 1x PCIe 2.0 1-lane |
SATA | 1x SATA 3.0 |
USB | 2x USB 3.0 Host, 1x USB 2.0 Host, 1x USB 2.0 OTG/Host |
´®¿Ú | 2x 4-wire UART, 2x 2-wire UART (ÆäÖÐÒ»¸öÓÃÓÚµ÷ÊÔ) |
ÆäËû I/O | 1x SDIO (4 bit, for SD cards), 2x CAN FD, 2x SPI, 5x I2C, 14x GPIO |
À©Õ¹¹¦Ð§ | Ö§³Ö×ÔÁ¦¿´ÃŹ·, ׼ʱ¿ª¹Ø»ú |
µçÔ´ | DC 5V, Ö§³Ö 3.6~5.25V ï®µç³Ø¹©µç |
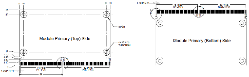
¹æ·¶/³ß´ç | SMARC 2.1.1 314-pin MXM ½ðÊÖÖ¸, 82mm x 65mm |
²Ù×÷ϵͳ | Debian 11, Ubuntu 20.04, Android 12 |
Æô¶¯·½·¨ | eMMC or SD, ĬÈÏ eMMC |
ÊÂÇéζÈ/ʪ¶È | 0~60¡æ/-20~70¡æ/-40~85¡æ ¿ÉÑ¡, 10%~90% RH ÎÞÀäÄý |
Öü´æÎ¶È/ʪ¶È | -40~85¡æ, 5%~90% RH ÎÞÀäÄý |

²úÆ·³ß´ç

²úÆ·Ñ¡ÐÍ
²úÆ·ÐͺŠ| SoC | ÄÚ´æ | Flash | GbE | PCIe | SATA | USB | UART | CAN | ÊÂÇéÎÂ¶È |
JSOM-R88C-A8MM1 | RK3588J | 8GB | 64GB | 1 | 3 | 1 | 4 | 4 | 2 | -40~85¡æ |
JSOM-R88C-A8ML1 | RK3588J | 8GB | 32GB | 1 | 3 | 1 | 4 | 4 | 2 | -40~85¡æ |
JSOM-R88C-B8MH1 | RK3588 | 8GB | 128GB | 1 | 3 | 1 | 4 | 4 | 2 | 0~60¡æ |
JSOM-R88C-B8ML1 | RK3588 | 8GB | 32GB | 1 | 3 | 1 | 4 | 4 | 2 | 0~60¡æ |
2121·Ç·²¹Ù·½ÍøÕ¾ÖÇÄÜΪÄúÌṩÁ¿Éí¶¨ÖÆµÄ½â¾ö¼Æ»®£¬£¬£¬£¬£¬Öª×ã´Ó²úÆ·½ç˵µ½ÈíÓ²¼þ¿ª·¢µÄÖÖÖÖÐèÇ󣬣¬£¬£¬£¬»á°²ÅÅ×ÊÉî²úÆ·¹¤³ÌʦΪÄú·þÎñ¡£¡£¡£¡£¡£¡£





